301 Cotton Drive, Waco, Texas 76712
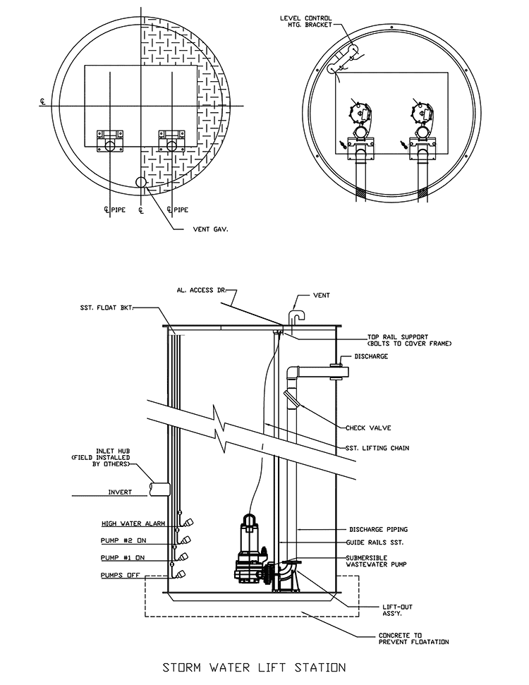
Triple D designs stormwater lift stations customized to your requirements. Systems are available in simplex, duplex, or triplex pump configurations with wet well sizes ranging from 36″ diameter x 36″ deep up to 12′ diameter x 30′ deep.
Our stations feature:
High-capacity pumps suited for stormwater and runoff
Corrosion-resistant wet wells made from fiberglass
Control panels with manual/automatic operation, alarms, and remote monitoring options
Valves and vaults designed for quick maintenance and reliable operation
Configurations tailored for variable flows and seasonal changes
Stations are fully tested and can be delivered preassembled for rapid field installation.
Handles Large Stormwater Volumes – Designed for peak flow conditions
Prevents Flooding and Water Damage – Controls runoff efficiently
Durable Construction – Resistant to corrosion, abrasion, and harsh weather
Customizable Systems – Suitable for small developments or large municipal sites
Preassembled for Fast Installation – Minimizes site disruption and labor costs
Low Maintenance Design – Easy access to pumps and valves for service
Environmentally Compliant
Call us today at 254-772-7623 and we will help you choose the right products to move your wastewater efficiently and effectively.

Whether you’re planning a municipal lift station or upgrading an aging wastewater system, our team works closely with you to understand your flow rates, site challenges, and long-term goals. By gathering all the right details upfront, we ensure your system is engineered for efficiency and reliability — from day one.
With decades of experience and access to top-tier manufacturers, Triple D Pump Company delivers tailored lift stations built to spec. From pump selection and control panels to complete system skids, everything is customized to meet your performance, space, and compliance requirements.
Our commitment doesn’t end at delivery. We offer full technical support, troubleshooting guidance, and documentation to help ensure smooth installation and long-term performance. When you partner with Triple D, you’re backed by a team that understands your system inside and out.
Our warranty includes defects in materials and workmanship for 1 year from the shipment date, under standard intermittent-duty sewage use. * See full warranty info
Access FAQs, and Troubleshooting Guides on our website to help you with product information and support.